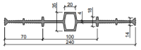
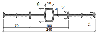
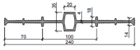
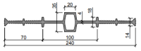
Гидрошпонка ПВХ Аквастоп ДВ-240/20
Под заказ
Гидрошпонка ПВХ Аквастоп ДВ-240/20
Подробнее
-
+
В корзину
Описание
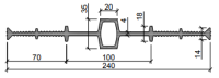
Гидрошпонка от компании АКВАСТОП используется для монтажа и ремонта гидроизоляции технологических, деформационных и осадочных швов бетонирования в железобетонных конструкциях. Является незаменимым элементом при качественном строительстве торговых центров, складов, туннелей, шахт, метрополитенов и других заглубленных сооружений. Хорошо справляется с нагрузками от грунтовых, сточных, дождевых и поверхностных вод. Гидрошпонка типа ДВ – это гидроизоляционная лента со специальными ребрами, заполняющая швы и принимающая деформационные нагрузки на себя. Гидрошпонка ДВ монтируется в средней части деформационного шва элементов конструкций. Используемый технологический регламент при установке: ТР 186-07, приложение 1.
Почему стоит купить гидрошпонку типа ДВ от АКВАСТОП?
- надежная герметизация и защита деформационного шва,
- изготовлена методом экструзии,
- соответствует ТУ 5775-02-46603100-03,
- сделана из качественных материалов,
- разработана специально для подземных сооружений и гидротехнических объектов,
- можно подобрать разную длину и ширину.
Характеристики
|
Тип товара
|
Гидрошпонка |
|
Бренд
|
71e4c049-fdc7-11ec-8159-005056817803 |
Задать вопрос








































































